Cold storage merupakan sebuah ruangan berpendingin yang digunakan untuk menyimpan product dalam jangka waktu dan suhu tertentu. Berdasarkan suhu yang ingin dicapai maka cold storage dibagi menjadi kelompok medium temperatur, low temperatur dan very low temperatur. Cold storage juga memiliki beberapa istilah yang umum digunakan antara lain walk in chiller/freezer, chilled/freezer room, blast freezer. “chilled/chiller room merupakan ruangan pendingin dengan suhu positif (0 – 10 celcius) untuk penympanan segar product tertentu. Freezer/blast freezer digunakan untuk penyimpanan product pada suhu negatif (low temperatur) -15 hingga -40 celcius. Pada kesempatan kali ini, accalls training center akan mengulasnya.
Komponen Cold Storage
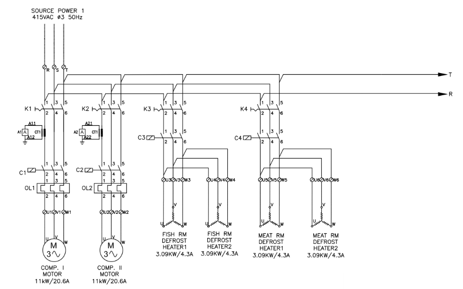
Secara fisik, cold storage memiliki komponen yang meliputi condensing unit (CDU), cooling unit & defrosting & conditioning room dan panel kontrol kelistrikan. CDU terdiri atas kompresor, oil separator, kondensor, filter dan komponen pendukung lainnya. Secara detail dapat dilihat pada gambar di bawah ini.

Berikut adalah komponen dari kondensing unit dari cold room atau cold storage. Kapasitas condensing unit dan spesifikasi komponen yang digunakan perlu dipelajari lebih mendalam. Hal ini akan anda dapatkan di kursus cold storage

Fungsi Condensing unit adalah mendistribusikan refrigerant ke seluruh sistem agar dapat dihasilkan suhu tertentu dalam ruangan. Untuk menghasilkan suhu sesuai target yang diinginkan maka alat ekpansi akan bekerja mengatur volume refrigerant agar tekanan dan suhu turun. Untuk memahami hal ini lebih detail maka kami sarankan anda mengikuti pelatihan dan kursus cold storage di accalls training

Kurikulum Kursus Cold Storage
Selain mendapatkan materi berupa teori, selama kursus cold storage anda juga mendapatkan praktek merangkai panel kelistrikan cold storage yang sesuai standar bitzer.

Berikut ini kurikulum kursus cold storage atau cold room yang kami berikan, antara lain :
- Sistem refrigerasi & cara kerja cold storage
- Komponen, alat ukur & sistem pengukuran komponen cold storage
- Praktek pengecekan dan setting komponen kontrol
- Wiring kelistrikan & sistem kontrol
- Desain & Perhitungan kapasitas mesin cold storage*
- Spesifikasi & Pemilihan komponen mesin cold storage*
- Cascade, Paralel, Two stage condensing unit.
- Perancangan ruangan panel*
- Perakitan mesin condensing unit
- Perakitan panel kontrol kelistrikan
- Refrigerant, pengecekan kebocoran, pemvakuman dan pengisian refrigerant
- Perawatan cold storage, pump down, penambahan/pengisian oli, pergantian komponen
- Standar Tes commitioning
- Troubleshooting kompresor
- Troubleshooting masalah refrigerasi (bocor, mampet, bunga es dll)
- Troubleshooting kontrol & kelistrikan
- Flow chart service
Berminat Kursus Cold Storage ?
Untuk mengikuti kursus cold storage maka Anda dapat mengikuti pelatihan yang diadakan di workshop accalls training center yang berlokasi di depok atau melalui inhouse training di perusahaan anda. Untuk infomasi lebih lanjut, anda dapat menghubungi accalls training center ata via WA 0813-1726-69




